- Overview
- Recommended Products
Precision and Reliability Drive the Future - CHYF Professional Pneumatic Solutions
At the core of industrial automation, every second of precision and stability is of vital importance. CHYF has been deeply engaged in the pneumatic field and is committed to providing you with a full range of efficient, durable and safe pneumatic accessory products. From core actuating components to precise control units and pure air source treatment, we have built a complete pneumatic system ecosystem to ensure that your equipment operates smoothly and without worries. Choosing us means choosing a reliable productive force.

Our cylinders are the tireless "steel arms" on the production line. The series is complete, including:
Standard type cylinders (MU/MAL series): They are highly versatile and easy to install, making them an economical choice for most applications.
Compact cylinders (SDA/SC series): Space-saving, lightweight structure, particularly suitable for space-constrained applications such as robots and electronic assembly.
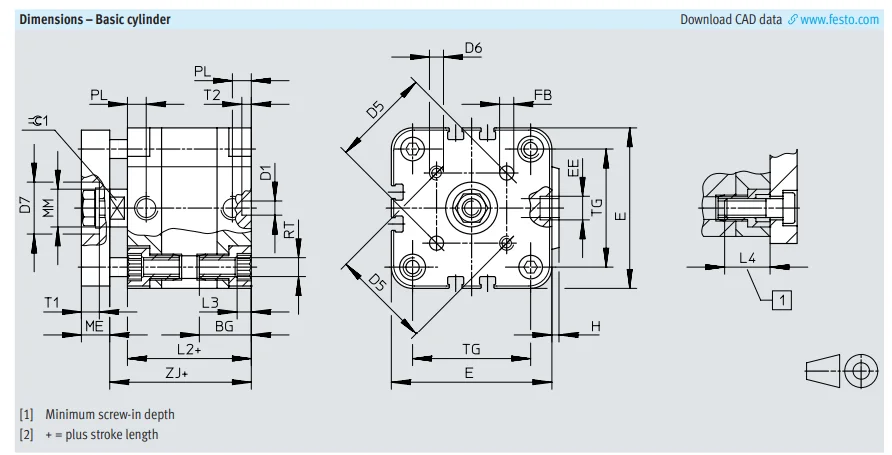
Guide cylinder (MGG/MFB series): Equipped with built-in guide rails, it has strong torque resistance, can withstand lateral loads, and ensures high-precision linear motion.
Rodless cylinder (MY1/MGP series): Long stroke, small space occupation, compact overall structure, suitable for long-stroke handling and conveying.
Application scenarios
It is applicable to all linear action requirements such as pushing, pulling, clamping, lifting and pressing in fields like machine tools, automated production lines, packaging machinery, printing equipment and robot integration.
Brand |
Festo |
Color |
Silver |
Warranty |
1 Year |







Title One: Core Power, Precise Execution - CHYF High-Precision Cylinder Series
Features: Made of high-quality aluminum alloy tubes, treated with hard anodizing, and precisely honed with inner walls. Imported brand sealing rings.
Advantages: Low coefficient of friction, smooth operation; Corrosion-resistant and with an extremely long service life; Oil-free self-lubricating, maintenance-free.
Benefits: It provides you with long-lasting and stable output power, reduces downtime, and lowers long-term maintenance costs. It is an ideal choice for applications such as automated equipment, picking, and pushing.





1. Who are we?
We are a professional manufacturer with more than 9 years experience
2. How can we guarantee quality?
Always a pre-production sample before mass production;
Always final Inspection before shipment;
3.What can you buy from us?
Mechanical Parts
4. Why should you buy from us not from other suppliers?
1). The company integrates research and development, production and sales as an integrated business model, which greatly reduces
consumers' purchase of finished products.
2). Short production time and quick cycle of large goods.
3). Professional after-sales
5. What services can we provide?
Accepted Delivery Terms: FOB,CFR,CIF,EXW,Express Delivery;
Accepted Payment Currency:USD,HKD,CNY;
Accepted Payment Type: T/T,L/C,D/P D/A,Credit Card,Western Union,Cash;
Language Spoken:English,Chinese
We are a professional manufacturer with more than 9 years experience
2. How can we guarantee quality?
Always a pre-production sample before mass production;
Always final Inspection before shipment;
3.What can you buy from us?
Mechanical Parts
4. Why should you buy from us not from other suppliers?
1). The company integrates research and development, production and sales as an integrated business model, which greatly reduces
consumers' purchase of finished products.
2). Short production time and quick cycle of large goods.
3). Professional after-sales
5. What services can we provide?
Accepted Delivery Terms: FOB,CFR,CIF,EXW,Express Delivery;
Accepted Payment Currency:USD,HKD,CNY;
Accepted Payment Type: T/T,L/C,D/P D/A,Credit Card,Western Union,Cash;
Language Spoken:English,Chinese

